Chief RSEU
Support de montage universel pour vidéoprojecteurs jusqu'à 11 kg













Descriptions détaillées
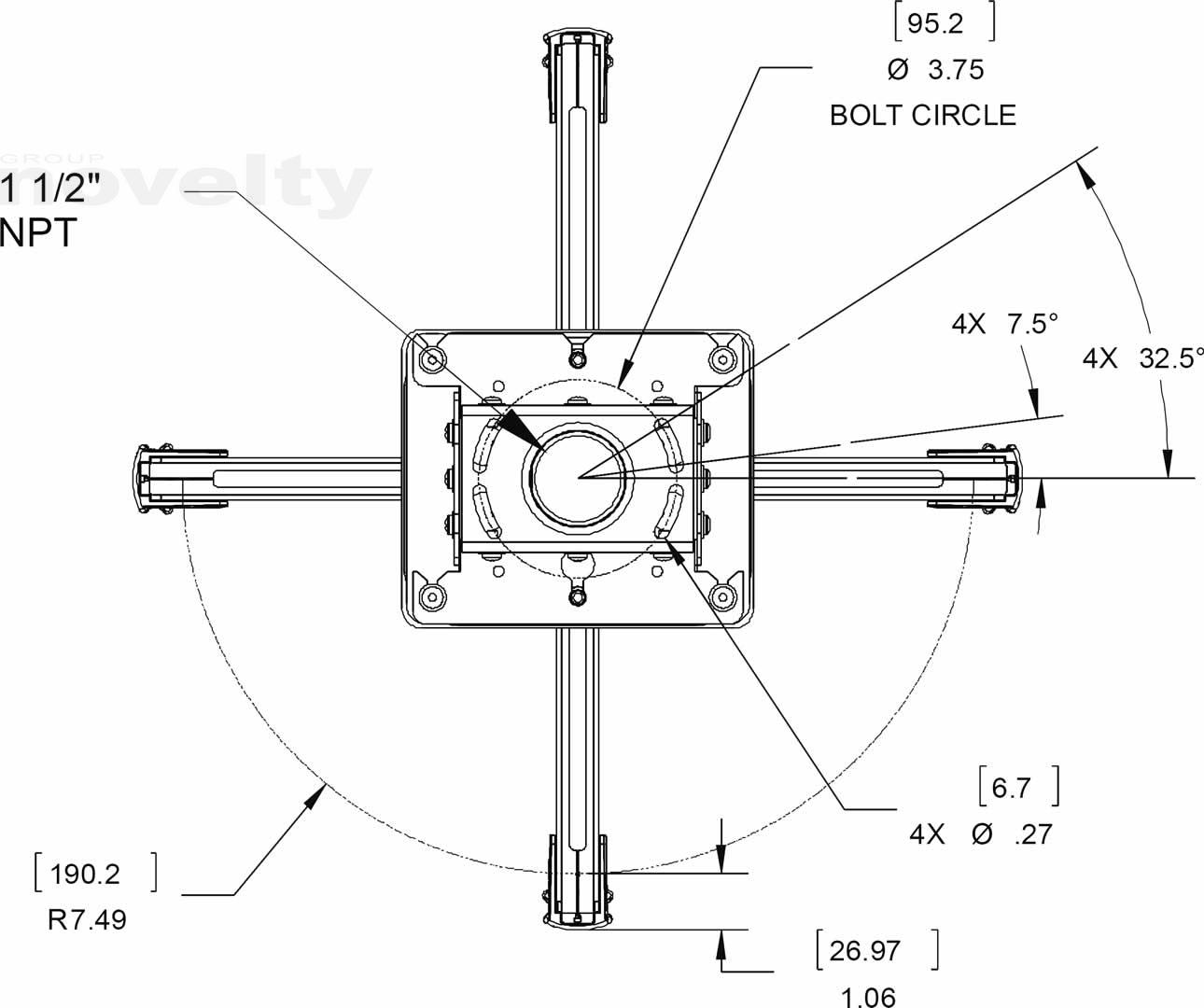
Pin Connection Universal Projector Mount - 11kgThe RSEU was designed specifically for use in Europe, Middle East, and Africa and is only available in those regions. Chief's projector solutions feature a convenient pin-connection column system focusing on speed of installation.
The RSEU features a universal interface that offers a compact design for smaller projectors with all the same great features as the standard RPA Series.
Features
- Compact design is smaller than the RPA by 1/3 and includes the same great features
- Independent roll, pitch and yaw for quick and precise projector registration
- Quick connect/disconnect with convenient lamp and filter access on most projectors
- Disconnecting maintains registration and doesn't affect preset adjustments
- All-Points Security steel-into-steel locking hardware at all connection points protects against theft
- Multiple installation options including: flush mount to ceiling, use 0.25" threaded rods, or use a 1.5" NPT column
- Supports external cable management along side of CPAE Columns
- Compatible with CPA Plates
- Also compatible with Chief's CMS columns and 1.5" NPT threaded accessories
- Adjustments : Roll: 3° Pitch: 20° Yaw: 360°
- Certifications : TUV Certified
- Color : Black
- Solution Type : Universal
- Weight Capacity : 25 lbs (11.3 kg)
Informations
- Référence : RSEU
- Télécharger nos catalogues PDF
Propriétés techniques
- Poids unitaire : 2,315 kg
Catalogue Chief






